Come parte dei nostri nuovi aggiornamenti di sicurezza, ti chiediamo di reimpostare la password
M5-Stylus (SN-8-CE-6-L125)
ID:
M00-694-129-000
168,00 €
Prezzo netto, spese di spedizione escluse
I prezzi sono validi solo per gli ordini effettuati tramite il negozio online
In giacenza - Spedizione in 1-2 giorni
Breve panoramica
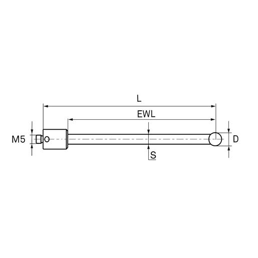
Straight stylus with M5 thread, silicon nitride ball Ø8 mm, tungsten carbide stem Ø6 mm, length 125 mm. For use on coordinate measuring machines (CMM).
Aggiunto al carrello.
The stylus is an important part of the measuring system. During the measurement, the stylus is in direct contact with the part.
Straight styli are the most common type used in the metrology industry. Depending on the application, different materials for stems and tips are available.
Silicon nitride styli tips have similar material properties to ruby whilst being more wear-resistant. Silicon nitride does not tend to form material build-up while scanning. Because of this, it is recommended for measurements on aluminium parts.
A tungsten carbide stem has high stiffness and less thermal expansion, compared to stainless steel.
| Filetto / Collegamento | M5 |
|---|---|
| Related Device | CMM |
| Materiale punta | Nitruro di silicio |
| Diametro punta (D) | 8 mm |
| Classe sfera | G5 |
| Lunghezza (L) | 125 mm |
| Lunghezza di lavoro eff. (EWL) | 107 mm |
| Materiale stelo | Ceramica |
| Diametro stelo (S) | 6 mm |
| Peso | 20,8 g |
