Come parte dei nostri nuovi aggiornamenti di sicurezza, ti chiediamo di reimpostare la password
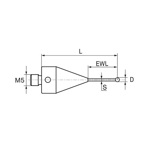
M5-Stylus (R-1.5-TC-1-L28)
ID:
M00-694-150-016
76,00 €
Prezzo netto, spese di spedizione escluse
I prezzi sono validi solo per gli ordini effettuati tramite il negozio online
In giacenza - Spedizione in 1-2 giorni
Breve panoramica
Straight stylus with M5 thread, ruby ball Ø1.5 mm, tungsten carbide stem Ø1 mm, length 28 mm. For use on coordinate measuring machines (CMM).
Aggiunto al carrello.
The stylus is an important part of the measuring system. During the measurement, the stylus is in direct contact with the part.
Straight styli are the most common type used in the metrology industry. Depending on the application, different materials for stems and tips are available.
Ruby is the most widely-used material for styli tips. Thanks to its inexpensive price and high quality, it is the standard choice for most applications. It is an extremely hard material, which tends, however, to cause material build-up when combined with certain materials such as aluminium.
A tungsten carbide stem has high stiffness and less thermal expansion, compared to stainless steel.
| Filetto / Collegamento | M5 |
|---|---|
| Related Device | CMM |
| Materiale punta | Rubino sintetico |
| Diametro punta (D) | 1,5 mm |
| Classe sfera | G5 |
| Lunghezza (L) | 28 mm |
| Lunghezza di lavoro eff. (EWL) | 7 mm |
| Materiale stelo | Carburo di tungsteno |
| Diametro stelo (S) | 1 mm |
| Peso | 10,2 g |
