text.skipToContent text.skipToNavigation
Como parte de nuestras nuevas actualizaciones de seguridad, se le pedirá que restablezca su contraseña
ID: M00-1121-055-000

€85.00

Precio neto sin envio
Los precios sólo son válidos para pedidos realizados a través de la tienda web.
Existencias disponibles - Envío en 1-2 días

Resumen

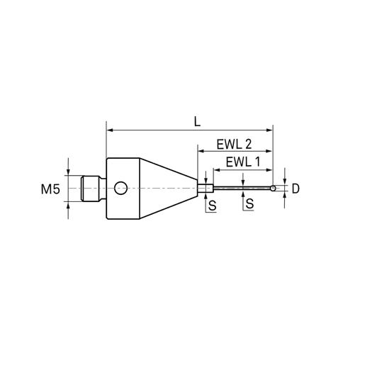
Straight stylus with M5 thread, ruby ball Ø0.5 mm, stepped tungsten carbide stem Ø0.4/0.7 mm, length 30 mm. For use on coordinate measuring machines (CMM).

The stylus is an important part of the measuring system. During the measurement, the stylus is in direct contact with the part.
Straight styli are the most common type used in the metrology industry. Depending on the application, different materials for stems and tips are available.

Ruby is the most widely-used material for styli tips. Thanks to its inexpensive price and high quality, it is the standard choice for most applications. It is an extremely hard material, which tends, however, to cause material build-up when combined with certain materials such as aluminium.

A tungsten carbide stem has high stiffness and less thermal expansion, compared to stainless steel.

Rosca M5 
Dispositivo MMC 
Material de la punta Rubí 
Diámetro de punta (D) 0,5 mm
Grado de la bola G5 
Longitud (L) 30 mm
Material del vástago Carburo de tungsteno 
Diámetro del vástago (S) 0.4 / 0.7 mm
Longitud de trabajo efect. (EWL 1/2) 4,00 / 5,00 
Peso 15 g